二、产品个性
1. XKC-Y29A 系列是一款非接触式液位传感器 ,通过按键的大局, 自动校准液位活络度。
2. 可支持凹凸电平输出、 NPN(选型时与厂家注明即可)。
3. 检测液位正确不变 ,冷、热、沸液体皆可检测。
4. 纯电子电路结构 ,非机械工作方式 ,机能稳定 ,持续使用寿命长。
5. 高不变性 ,高活络度 ,抗滋扰能力强,不受表界电磁滋扰 ,针对工频滋扰及共模滋扰有做特殊处置。
6. 电源部门搭载反接;ぁ⒍搪繁;ぁ⒐鞅;ぁ⒐贡;;可兼容市面上所有的 12-24V 电源适配器。
7. 在医疗、食品行业广范使用 ,感应能力强 ,可穿透检测各类非金属材质的容器内液体液位 ,如塑料、玻
璃、陶瓷等容器 ,感应距离(容器壁厚)可达 10mm;液体、粉末、颗粒物均可检测。
8. 开集电极输出方式 ,电压领域宽(12-24V) ,适合衔接各类电路及产品利用。
三、重要职能
1. 检测平面庞器内的水基流体 ,以水元素为基础的溶剂。无需直接接触到介质自身 ,即可检测容器或管路 内的液位。
2. 它可能靠得住地检测介质,不变性极高;针对水、牛奶、蜂蜜、乳胶、体液(血液)、酸性或碱性溶液等 液体在容器内出现的残留膜、水分或泡沫进行赔偿,做到现实分辨液位的职能。
3. 黑线可包办传感器按键标定职能 ,起到远程标定传感器活络度的作用。
项目名称 | 参数 | |
产品规格型号 | XKC-Y29A-V | XKC-Y29A-NPN |
输出方式 | 凹凸电平 | 开关量(低电平有效) |
直流输入电压 | DC12V-24V | |
电源纹波要求 | ≤10%V | |
耗电流 | ≤10mA | |
上电延时 | ≤500mS | |
响应功夫 | ≤100mS | |
工作环境温度 | -25~85℃ | |
湿度 | 30%~80%(无凝固) | |
感应厚度(活络度) | ≤10mm(容器壁厚) | |
温度飘移 | ≤20%( -25℃ ~ +60℃) | |
检测液体的电导率 | ≤50ms | |
液位精度 | ±3mm | |
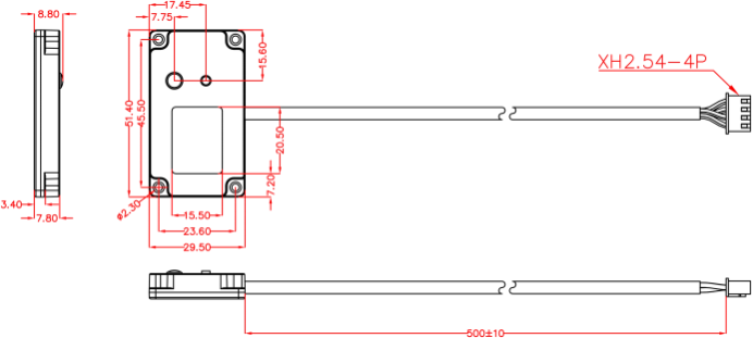
线长 | 500MM ( ±10MM)(批量可定造) | |
线端界说 | 棕色 VCC、黄色 OUT 信号输出 、蓝色 GND、玄色 MARK 活络度标定线 | |
材质 | PC-V0 防火料 | |
防水机能 | IP67 | |
安规尺度认证 | CE | |
环保认证 | ROHS-2.0 | |
